0086 15335008985
CaratteristicHe e applicazioni principali
Il dispositivo elettrico a prova di esplosione di esplosione QMB è meticolosamente realizzato per le rigorose esigenze delle applicazioni del settore del carbone. Questo versatile attuatore eccelle nel controllo preciso delle valvole a sfera, delle valvole a farfalla e altro ancora. Se abbinato a valvole specializzate ad alta pressione e di piccolo calibro, garantisce prestazioni nella sicurezza antincendio della miniera di carbone, soppressione della polvere e automazione dei sistemi di pompe centrali sotterranee, comprese le pompe a getto e vuoto.
Il nostro dispositivo elettrico Valve QMB si distingue per il suo design compatto e la costruzione leggera. Integrando perfettamente con i sistemi DCS, facilita un controllo automatico efficiente e affidabile.
Classificazione
Disponibile in vari tipi: intelligente di base, intelligente, a prova di esplosione e a prova di esplosione, ciascuno su misura per soddisfare le esigenze operative specifiche.
Ambiente di lavoro e condizioni tecniche principali
(1) Alimentazione: AC380 V standard, 50Hz;
Per flessibilità, gli alimentatori opzionali includono: AC400V, 415V, 660 V e doppie frequenze di 50Hz o 60Hz.
Adattabile anche per AC220V monofase, 110 V con opzioni da 50Hz o 60Hz.
Inoltre, supporta la potenza DC a 24 V, 48 V e 84 V.
;
(3) Umidità relativa: operazione efficiente fino al 95% di umidità a 25 ° C, garantendo prestazioni robuste. Adatta perfettamente a condizioni di umidità variabili.
(4) Ambiente di lavoro: tipo ordinario si adatta alle aree libere da media pericolosi e corrosivi;
Modellolo a prova di esplosione (EXDIIBT4) progettato per ambienti con miscele di gas IIA e IIB, gruppi T1-T4, garantendo la sicurezza UT.
(5) Livello di protezione: IP65, IP67 e IP68 personalizzabile per una protezione migliorata in base agli ordini speciali.
(6) Il motore è progettato per l'uso intermittente: tempo di funzionamento standard di 10 minuti, estendibile a 15-30 minuti in condizioni speciali, con isolamento di classe F per la durata.
(7) Rivestimento anticorrosivo: utilizza uno spruzzo elettrostatico ad alta temperatura di polvere di plastica epossidica anticorrosione, offrendo una robusta protezione a lungo termine.
(8) Caratteristiche funzionali principali di attuatori elettrici intelligenti
Ingegnerizzati con un design mechatronico, questi attuatori sono compatti e leggeri.
Incorpora un chip integrato digitale, fornendo funzionalità e precisione sfaccettate.
Vanta un design non intrusivo, consentendo le regolazioni dei parametri e il debug tramite manopole o remoto a infrarossi, il tutto senza aprire il contenitore, per operazioni rapide e sicure.
Dotato di un encoder assoluto per lo spostamento della corsa, garantendo l'integrità della posizione della valvola e una forte anti-interferenza, con alta precisione e durata della vita estesa.
Display LCD disponibile sia in cinese che in inglese, migliorando l'usabilità.
Caratteristiche funzioni di protezione come limite di viaggio, protezione della coppia, allarme di stallo, protezione del surriscaldamento, protezione da guasti al segnale, perdita di fase di potenza e correzione della sequenza di fase automatica per una salvaguardia completa.
I tipi intelligenti comprendono un interruttore intelligente, una regolazione intelligente e versioni intelligenti avanzate, soddisfacenti a diverse esigenze di controllo.
(9) Segnale di ingresso del tipo di interruttore intelligente: accetta segnali di impulsi o livelli da 24 VDC per l'integrazione versatile.
Segnale di uscita: fornisce l'uscita del relè con capacità di contatto classificata a 5A per 250 VAC o 30 VDC.
Segnale analogico di posizione di uscita: offre 4-20 mA per un feedback preciso.
La regolazione intelligente supporta segnali di ingresso analogici: 4-20 mA per il controllo senza soluzione di continuità.
Segnale di uscita analogica: corrisponde all'input con uscita 4-20MA.
Segnale di ingresso interruttore: compatibile con impulso da 24 VDC o segnale di livello per un funzionamento efficiente.
Segnale di uscita di commutazione: il nostro attuatore innovativo presenta una robusta uscita di relè con una capacità di contatto di 5A, 250VAC e 5A, 30VDC, garantendo prestazioni e sicurezza affidabili in ambienti ad alta richiesta.
Errore di base: ≤1 - Esperienza di precisione e accuratezza con un margine di errore di base inferiore o uguale a 1. La nostra tecnologia garantisce l'esattezza su cui puoi contare.
Il nostro tipo intelligente avanzato è progettato per elevare le tue capacità operative. Include il supporto per la protezione della sovraccarico di emergenza ESD, la comunicazione senza soluzione di continuità, la connettività Bluetooth intuitiva e il sofisticato controllo wireless, tra le altre caratteristiche innovative.
Modelli e caratteristiche principali dell'attuatore elettrico QMB
| Model | Coppia (N · m) | Diametro dello stelo (mm) | Rapporto di velocità | Velocità di uscita (r/min) | Tempo aperto/chiuso (S) | Potenza motoria (W) | Valuta motoria (UN) | Peso (kg) |
| QMB3.5-1.25G | 35 | 11x11 | 46 | 1.25 | 12 | 10 | 0.6 | 8 |
| QMB5-1.25G | 50 | 11x11 | 46 | 1.25 | 12 | 15 | 0.6 | 8 |
| QMB9-0.85G | 90 | 28 | 46 | 0.85 | 18 | 40 | 1 | 20 |
| QMB15-0.6G | 150 | 28 | 46 | 0.6 | 25 | 40 | 1 | 20 |
| QMB25-0.6G | 250 | 28 | 46 | 0.6 | 25 | 60 | 1.2 | 20 |
Dimensioni di dimensioni e connessione QMB
QMB3.5/5 Dimensioni esterne
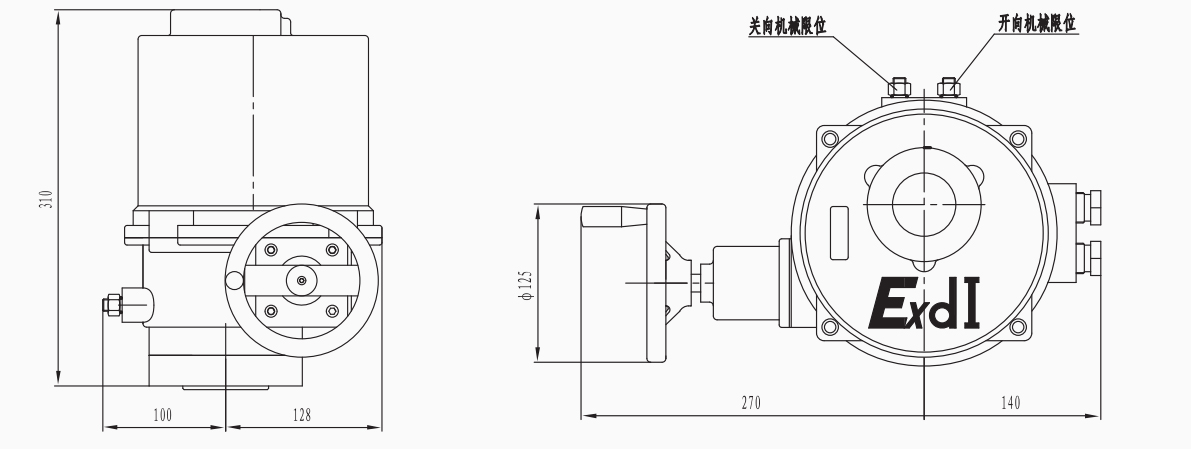
QMB9/15/22 Dimensioni esterne
Dimensioni di connessione della flangia QMB
Diagramma della dimensione di connessione QMB3.5/5
| Numero flangia | Modello di denso | D3 | N-D4 | D7 | H | H1 |
| F05 | QMB3.5 QMB5 | 50 | 4-m6 | 11 × 11 | 16 | 1 |
Diagramma di dimensione di connessione QMB9/15/25
| Numero flangia | Modello di installazione elettrica | D1 | d2 (F8) | D3 | N-D4 | D7 | H | h | H1 | |
| Produzione di fabbrica | Massimo | |||||||||
| F05 | QMB9 | 65 | 35 | 50 | 4-m6 | 28 | 40 | 3 | 3 | |
| F07 | QMB9 QMB15 QMB25 | 90 | 55 | 70 | 4-M8 | / | 28 | 40 | 3 | 3 |
| F10 | QMB25 | 125 | 70 | 102 | 4-M10 | / | 28 | 40 | 3 | 3 |
NOTA: QMB9/15/25 sono tutti dotati di F07 di serie, garantendo la compatibilità positiva e l'integrazione senza soluzione di continuità per le tue esigenze.3
















